Product Summary
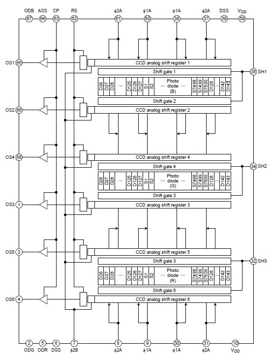
The TCD2703ADG(Z,K) is a high sensitive and low dark current 7500 pixels × 3 line CCD color image sensor. The sensor is designed for color scanner. The device contains a row of 7500 pixels × 3 line photodiodes which provide a 24 lines/mm across a A3 size paper. The device is operated by 5-V pulse, and 12-V power supply.
Parametrics
Maximum ratings: (1)Clock pulse voltage, VΦA: -0.3 to 8V; (2)Last stage clock pulse voltage, VΦB: -0.3 to 8V; (3)Shift pulse voltage, VSH: -0.3 to 8V; (4)Reset pulse voltage, VRS: -0.3 to 8V; (5)Clamp pulse voltage, VCP: -0.3 to 8V; (6)Power supply voltage, VOD, VDD: -0.3 to 15V; (7)Operating temperature, Topr: 0 to 60℃; (8)Storage temperature, Tstg: -25 to 85℃.
Features
Features: (1)Number of image sensing pixels: 22500 pixels (7500 pixels × 3 line); (2)Image sensing pixels size: 9.325 μm by 9.325 μm on 9.325 μm center; (3)Photo sensing region: High sensitive pn photodiode; (4)Clock: 2-phase (5 V); (5)Distance between photodiode array: Pixel R to pixel G: 37.3 μm (4 lines); Pixel G to pixel B: 37.3 μm (4 lines); (6)Internal circuit: Clamp circuit; (7)Package: 68-pin CERDIP; (8)Color filter: Red, Green, Blue.
Diagrams

![]() |
![]() TCD2000P |
![]() Other |
![]() |
![]() Data Sheet |
![]() Negotiable |
|
||||
![]() |
![]() TCD2252D |
![]() Other |
![]() |
![]() Data Sheet |
![]() Negotiable |
|
||||
![]() |
![]() TCD2253D |
![]() Other |
![]() |
![]() Data Sheet |
![]() Negotiable |
|
||||
![]() |
![]() TCD2255D |
![]() Other |
![]() |
![]() Data Sheet |
![]() Negotiable |
|
||||
![]() |
![]() TCD2300C |
![]() Other |
![]() |
![]() Data Sheet |
![]() Negotiable |
|
||||
![]() |
![]() TCD2301C |
![]() Other |
![]() |
![]() Data Sheet |
![]() Negotiable |
|
||||
(China (Mainland))








